FŐ TULAJDONSÁGOK
Felhasználási terület
Víz
Mérettartomány
DN 40–300
Nyomásosztály
PN16
Termékjellemzők
Anyagok
Korrózióvédelem
Kívül-belül epoxibevonat
Maximális üzemi közeghőmérséklet
50 °C
Megjegyzés
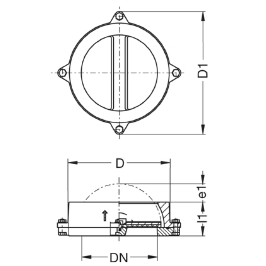
Beépíthető vízszintes vezetékekbe. Függőleges vezetékbe csak akkor építhető be, ha az áramlás felfelé halad. Vízszintes vezetékbe történő beépítésnél ügyelni kell arra, hogy a szelep acéltengelye függőlegesen helyzetben legyen.
| DN | 40 | 50 | 65 | 80 | 100 | 125 | 150 | 200 | 250 | 300 | |
| D | [mm] | 88 | 102 | 122 | 138 | 138 | 188 | 212 | 268 | 320 | 373 |
| D1 | [mm] | 117 | 130 | 158 | 170 | 194 | 234 | 257 | 323 | 385 | 460 |
| e1 | [mm] | 3 | 3 | 9 | 8 | 16 | 23 | 31 | 47 | 57 | 85 |
| I1 | [mm] | 33 | 43 | 46 | 64 | 64 | 70 | 76 | 89 | 114 | 114 |
| Súly kb. | [kg] | 1,10 | 1,80 | 2,50 | 3,60 | 5,20 | 7,10 | 9,00 | 15,40 | 28,00 | 37,50 |