FŐ TULAJDONSÁGOK
Felhasználási terület
Mérettartomány
3/8"–4"
Test és csapvég
Bronz a DIN 50930-6 szabvány szerint
Tömszelence
Teflon (PTFE)
Fedéltömítés
Vulkanizált fiber
Kézikerék
Tűzzománcozott alumínium
Többi alkatrész
Európai szabvány szerinti sárgaréz
Menet
EN ISO 228/1
Megengedett üzemi hőmérséklet
0 °C – +90 °C
Javasolt beépítés
https://interex-waga.hu/greiner-szereles
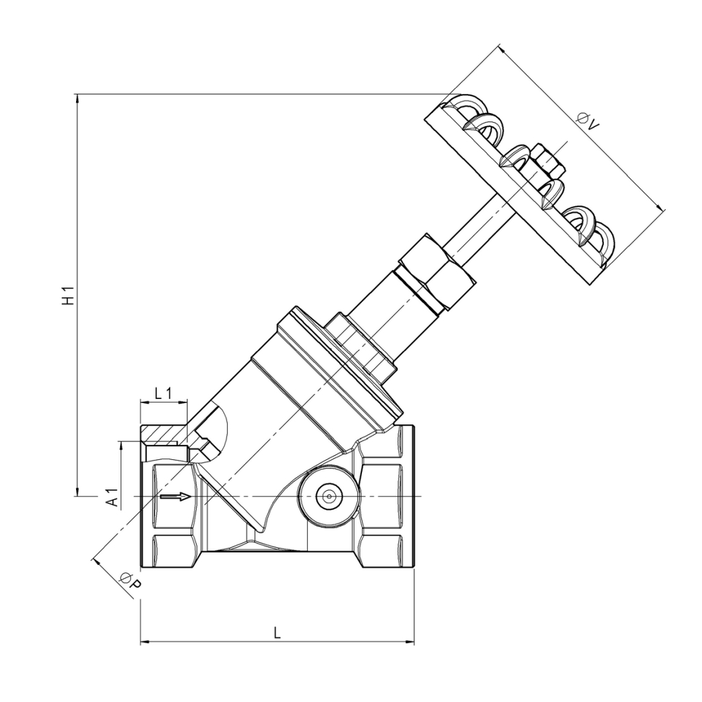
| Névleges átmérő | Cikkszám | Méretek (mm) | PN-MOP | Súly (kg) | |||||
| L | L1 | A1 | H1 | ØP | ØV | ||||
| 3/8" | 080114000003800 | 55 | 10 | 3/8" | 83 | 12 | 50 | PN10 | 0,030 |
| 1/2" | 080114000005000 | 59 | 11 | 1/2" | 86 | 15 | 55 | PN10 | 0,300 |
| 3/4" | 080114000007500 | 69 | 12 | 3/4" | 100 | 20 | 60 | PN10 | 0,490 |
| 1" | 080114000010000 | 82 | 14 | G1" | 108 | 25 | 60 | PN10 | 0,650 |
| 1.1/4" | 080114000012500 | 98,5 | 17 | 1.1/4" | 131 | 32 | 70 | PN10 | 1,110 |
| 1.1/2" | 080114000015000 | 109 | 17 | G1.1/2" | 145 | 40 | 70 | PN10 | 1,340 |
| 2" | 080114000020000 | 131 | 19 | 2" | 174 | 50 | 90 | PN10 | 2,210 |
| 2.1/2" | 080114000025000 | 151 | 21 | 2.1/2" | 204 | 65 | 110 | PN10 | 3,760 |
| 3" | 080114000030000 | 172 | 21 | 3" | 220 | 78 | 120 | PN10 | |
| 4" | 080114000040000 | 219 | 24 | 4" | 290 | 98 | 140 | PN10 | |