FŐ TULAJDONSÁGOK
Mérettartomány
d20 - d800
Anyaga
PE100 SDR11
Nyomásosztály
Tulajdonságok
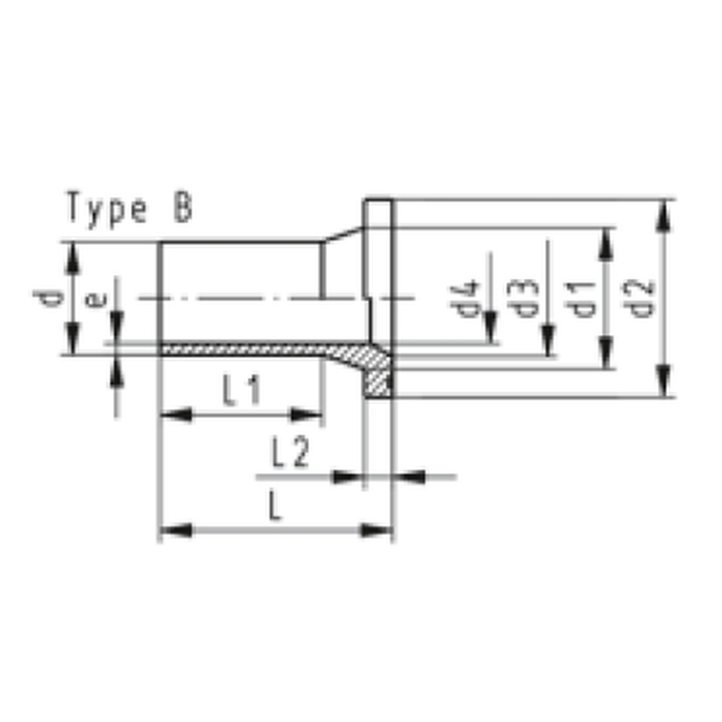
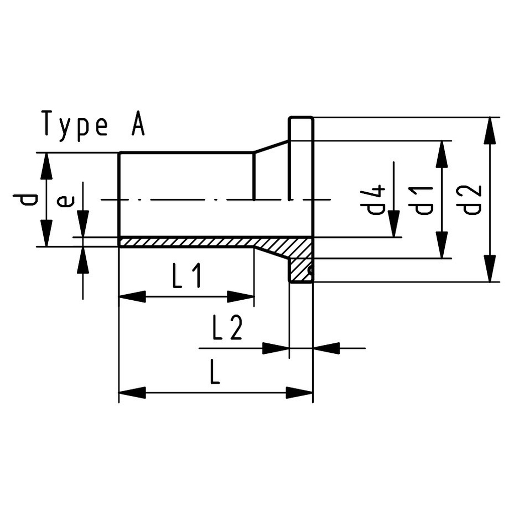
| d (mm) | DN (mm) | Cikkszám | Súly (kg) | Méretek (mm) | Type | |||||||
| d1 | d2 | d3 | d4 | L | L1 | L2 | e | |||||
| 20 | 15 | 076753800006000 | 0,022 | 27 | 45 | 16 | 85,0 | 41,0 | 7 | 1,9 | A | |
| 25 | 20 | 076753801007000 | 0,037 | 33 | 58 | 20 | 90,5 | 62,0 | 9 | 2,3 | A | |
| 32 | 25 | 076753801008000 | 0,056 | 40 | 68 | 26 | 91,5 | 61,0 | 10 | 3,0 | A | |
| 40 | 32 | 076753801009000 | 0,081 | 50 | 78 | 32 | 94,5 | 61,5 | 11 | 3,7 | A | |
| 50 | 40 | 076753801010000 | 0,119 | 61 | 88 | 40 | 90,0 | 62,0 | 12 | 4,6 | A | |
| 63 | 50 | 076753801011000 | 0,187 | 75 | 102 | 51 | 98,0 | 69,0 | 14 | 5,8 | A | |
| 75 | 65 | 076753801012000 | 0,314 | 89 | 122 | 66 | 61 | 125,0 | 89,0 | 16 | 6,8 | B |
| 90 | 80 | 076753801013000 | 0,471 | 105 | 138 | 78 | 73 | 140,0 | 103,0 | 17 | 8,2 | B |
| 110 | 100 | 076753801014000 | 0,718 | 125 | 158 | 100 | 90 | 160,0 | 114,0 | 18 | 10,0 | B |
| 125 | 100 | 076753801015000 | 0,883 | 132 | 158 | 114 | 102 | 170,0 | 125,0 | 25 | 11,4 | B |
| 140 | 125 | 076753801016000 | 1,348 | 155 | 188 | 127 | 114 | 200,0 | 147,0 | 25 | 12,7 | B |
| 160 | 150 | 076753801017000 | 1,718 | 175 | 212 | 151 | 130 | 200,0 | 147,0 | 25 | 14,6 | B |
| 180 | 150 | 076753801018000 | 2,035 | 183 | 212 | 158 | 147 | 200,0 | 170,0 | 30 | 16,4 | B |
| 200 | 200 | 076753801019000 | 2,899 | 232 | 268 | 203 | 163 | 200,0 | 128,0 | 32 | 18,2 | B |
| 225 | 200 | 076753801020000 | 3,208 | 235 | 268 | 210 | 184 | 200,0 | 138,0 | 32 | 20,5 | B |
| 250 | 250 | 076753801001000 | 4,800 | 285 | 320 | 252 | 202 | 220,0 | 129,0 | 35 | 22,7 | B |
| 280 | 250 | 076753800902000 | 4,925 | 291 | 320 | 265 | 229 | 231,0 | 150,0 | 35 | 25,4 | B |
| 315 | 300 | 076753800903000 | 7,135 | 335 | 370 | 300 | 257 | 239,0 | 162,0 | 35 | 28,6 | B |
| 355 | 350 | 076753800224000 | 10,400 | 373 | 430 | 342 | 284 | 267,0 | 170,0 | 40 | 32,0 | B |
| 400 | 400 | 076753800905000 | 14,500 | 427 | 482 | 387 | 320 | 292,0 | 185,0 | 46 | 36,0 | B |
| 450 | 500 | 076753800226000 | 23,700 | 514 | 585 | 400 | 360 | 330,0 | 205,0 | 60 | 41,0 | B |
| 500 | 500 | 076753800907000 | 27,100 | 530 | 585 | 442 | 400 | 351,0 | 220,0 | 60 | 46,0 | B |
| 560 | 600 | 076753800228000 | 39,260 | 616 | 685 | 490 | 458 | 370,0 | 240,0 | 60 | 50,9 | B |
| 630 | 600 | 076753800229000 | 44,260 | 644 | 685 | 545 | 515 | 390,0 | 260,0 | 60 | 57,0 | B |
| 710 | 700 | 076753800030000 | 56,379 | 737 | 800 | 581 | 400,0 | 280,0 | 60 | 64,5 | A | |
| 800 | 800 | 076753800033000 | 72,636 | 840 | 905 | 652 | 400,0 | 280,0 | 65 | 74,0 | A | |