FŐ TULAJDONSÁGOK
Mérettartomány
d710 - d2000
Anyaga
PE100 SDR17
Nyomásosztály
Tulajdonságok
Javasolt beépítés
https://interex-waga.hu/megfuras-menete
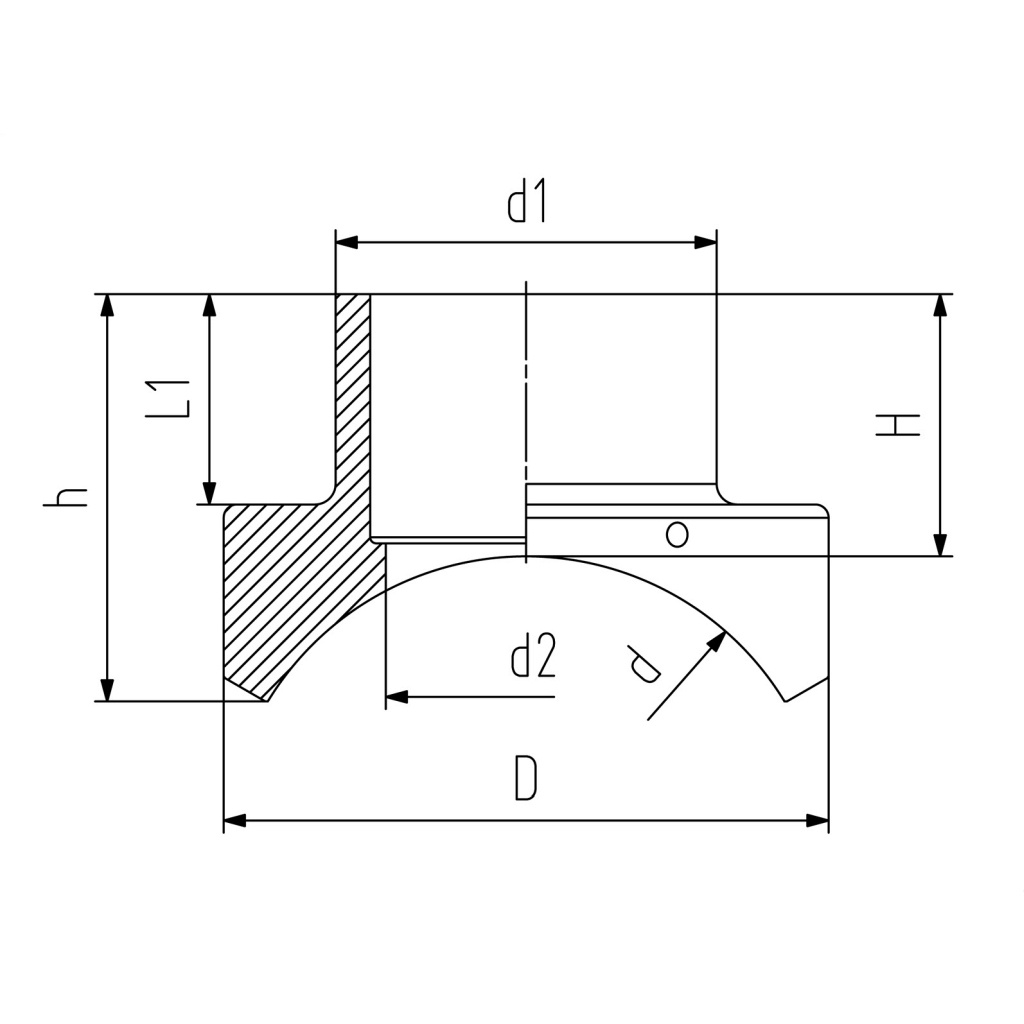
| d (mm) | d1 (mm) | Cikkszám | Súly | Méretek (mm) | |||||
| (kg) | d2 | D | L | L1 | h | H | |||
| 710 | 315 | 075193135676000 | 14,000 | 250 | 500 | 500 | 174 | 296 | 216 |
| 800 | 315 | 075193135686000 | 13,500 | 250 | 500 | 500 | 174 | 287 | 216 |
| 900 | 315 | 075193135696000 | 13,100 | 250 | 500 | 500 | 174 | 282 | 216 |
| 900 | 500 | 075193135698000 | 32,600 | 397 | 700 | 700 | 237 | 406 | 280 |
| 1000 | 315 | 075193135706000 | 12,800 | 250 | 500 | 500 | 174 | 274 | 216 |
| 1000 | 500 | 075193135708000 | 31,400 | 397 | 700 | 700 | 237 | 397 | 280 |
| 1200 | 315 | 075193135716000 | 12,300 | 250 | 500 | 500 | 174 | 267 | 216 |
| 1200 | 500 | 075193135718000 | 29,400 | 397 | 700 | 700 | 237 | 377 | 280 |
| 1400 | 315 | 075193135726000 | 11,900 | 250 | 500 | 500 | 174 | 257 | 216 |
| 1400 | 500 | 075193135728000 | 28,100 | 397 | 700 | 700 | 237 | 362 | 280 |
| 1600 | 315 | 075193135736000 | 11,700 | 250 | 500 | 500 | 174 | 252 | 216 |
| 1600 | 500 | 075193135738000 | 27,100 | 397 | 700 | 700 | 237 | 352 | 280 |
| 2000 | 315 | 075193135746000 | 11,300 | 250 | 500 | 500 | 174 | 246 | 216 |
| 2000 | 500 | 075193135748000 | 25,700 | 397 | 700 | 700 | 237 | 337 | 280 |