FŐ TULAJDONSÁGOK
Felhasználási terület
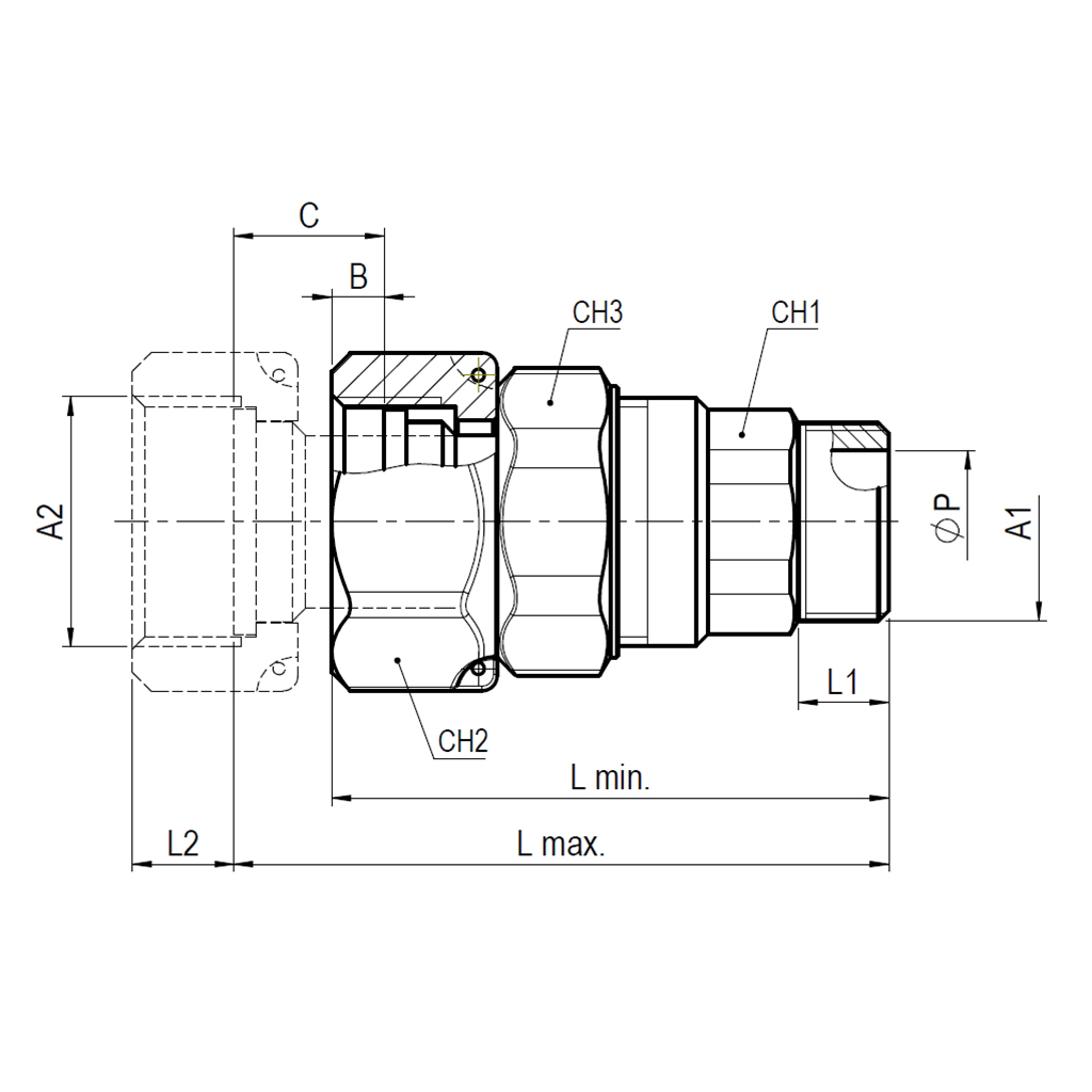
Mérettartomány
1/2"–1"
Alkatrészek anyaga
CW617N sárgaréz az EN 12165 szabvány szerint vagy CW614N sárgaréz az EN 12164 / EN 12168 szabvány szerint
Tömítés
Menet
EN ISO 228/1
Megengedett üzemi nyomás
25 bar
Megengedett üzemi hőmérséklet
80 °C
Javasolt beépítés
https://interex-waga.hu/greiner-szereles
| Névleges átmérő | Cikkszám | Méretek (mm) | Súly (kg) | |||||||||||
| A1 | A2 | B | C | CH1 | CH2 | CH3 | Lmin | Lmax | L1 | L2 | ØP | |||
| 1/2" | 080792210005000 | G1/2" | G3/4" | 4 | 16,5 | es.27 | es.32 | es.30 | 58,5 | 71 | 11 | 9,5 | 14 | 0,190 |
| 3/4" | 080792210007500 | G3/4" | G1" | 7 | 20 | es.28 | es.40 | es.37 | 74 | 87 | 12 | 13,5 | 19 | 0,360 |
| 1" | 080792210010000 | G1" | G1.1/4" | 2 | 33 | es.34 | es.48 | es.48 | 96 | 127 | 13,5 | 12,5 | 25 | 0,730 |