FŐ TULAJDONSÁGOK
Felhasználási terület
Mérettartomány
DN 50–600
Termékjellemzők
Anyagok
Korrózióvédelem
Öntvényrészek epoxibevonattal
Megengedett üzemi nyomás
Maximális üzemi közeghőmérséklet
50 °C
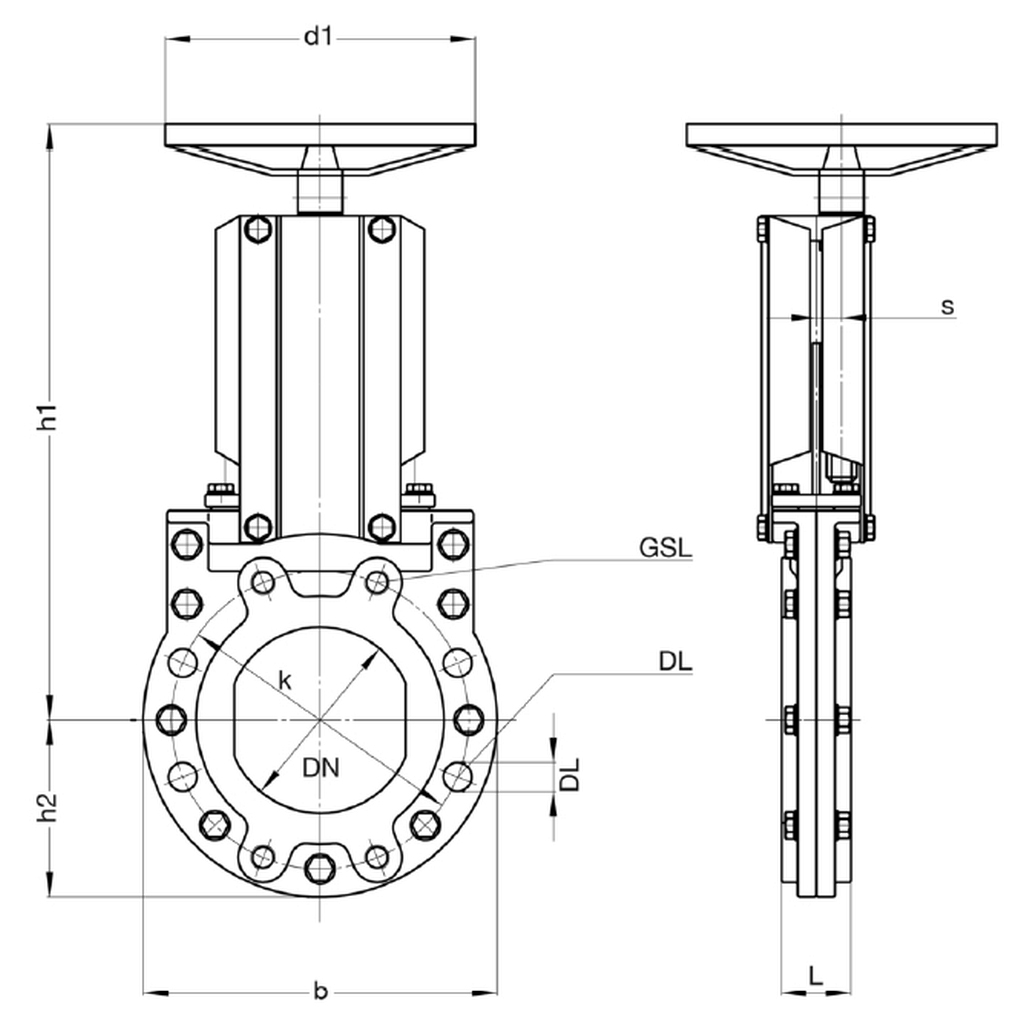
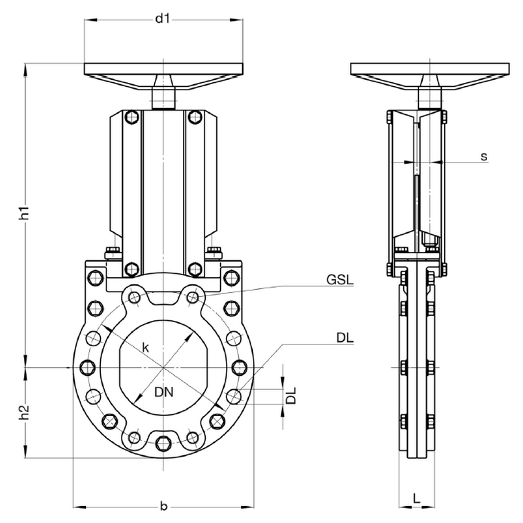
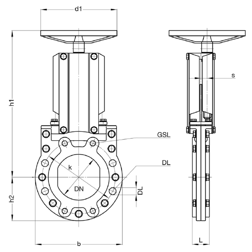
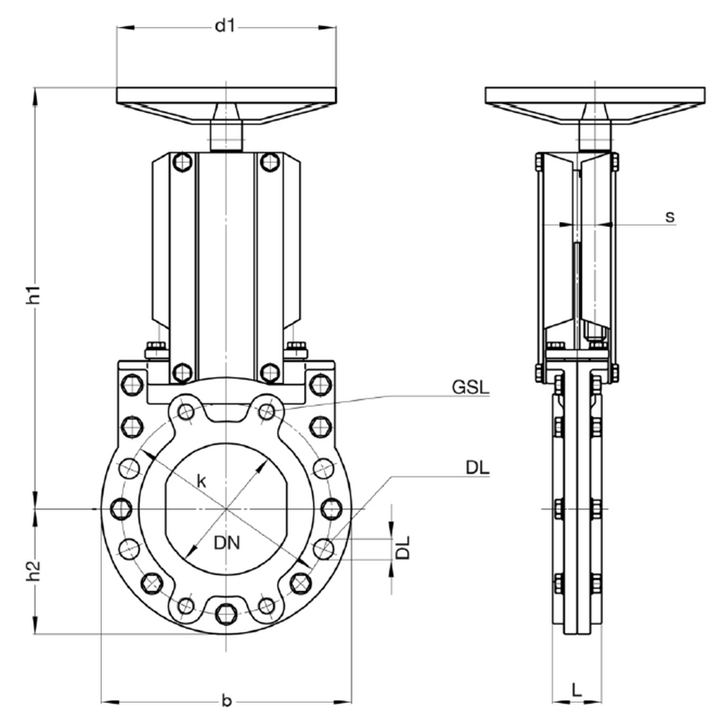
Karima furatkiosztás
PN10
Meghajtás
Elektromos és pneumatikus hajtóművel is rendelhető
| Névleges átmérő | DN | 50 | 65 | 80 | 100 | 125 | 150 | 200 | 250 | 300 | 350 | 400 | 500 | 600 |
| PS | [bar] | 10 | 10 | 10 | 10 | 10 | 10 | 10 | 10 | 10 | 8 | 8 | 6 | 6 |
| L | [mm] | 43 | 46 | 46 | 52 | 56 | 56 | 60 | 68 | 78 | 78 | 102 | 127 | 154 |
| b | [mm] | 165 | 185 | 200 | 220 | 250 | 285 | 340 | 395 | 445 | 505 | 565 | 670 | 780 |
| k | [mm] | 125 | 145 | 160 | 180 | 210 | 240 | 295 | 350 | 400 | 460 | 515 | 620 | 725 |
| d1 | [mm] | 200 | 200 | 250 | 250 | 250 | 250 | 300 | 400 | 400 | 400 | 400 | 500 | 600 |
| h1 | [mm] | 290 | 305 | 340 | 365 | 420 | 480 | 580 | 740 | 830 | 930 | 1030 | 1250 | 1430 |
| h2 | [mm] | 83 | 93 | 100 | 110 | 125 | 143 | 170 | 198 | 223 | 253 | 283 | 335 | 390 |
| S | [mm] | 15 | 15 | 17 | 18 | 18 | 21 | 22 | 28 | 29 | 29 | 33 | 40 | 40 |
| Karimafuratok | 4 x M16 | 4 x M16 | 8 x M16 | 8 x M16 | 8 x M16 | 8 x M20 | 8 X M20 | 12 x M20 | 12 X M20 | 16 x M20 | 16 X M24 | 20 x M24 | 20 X M27 | |
| DL Ø | [mm] | - | - | 19 | 19 | 19 | 23 | 23 | 23 | 23 | 23 | 26 | 26 | 30 |
| DL furatok száma | [db] | - | - | 4 | 4 | 4 | 4 | 4 | 4 | 4 | 6 | 6 | 6 | 6 |
| GSL oldalanként | [db] | 4 | 4 | 4 | 4 | 4 | 4 | 4 | 8 | 8 | 10 | 10 | 14 | 14 |
| GSL menet | M16 | M16 | M16 | M16 | M16 | M20 | M20 | M20 | M20 | M20 | M24 | M24 | M27 | |
| Fordulatok száma | [db] | 13 | 17 | 20 | 25 | 32 | 30 | 40 | 50 | 60 | 70 | 67 | 84 | 100 |
| Súly kézikerékkel együtt kb. | [kg] | 9 | 11 | 12 | 15 | 20 | 25 | 37 | 69 | 91 | 134 | 164 | 280 | 370 |
| GSL = menetes furat | ||||||||||||||
| DL = átmenő furat |