FŐ TULAJDONSÁGOK
Felhasználási terület
Mérettartomány
DN 40–300
Nyomásosztály
PN 10/16
Termékjellemzők
Anyagok
Korrózióvédelem
Kívül-belül epoxibevonat a GSK szerint
Maximális üzemi közeghőmérséklet
50 °C
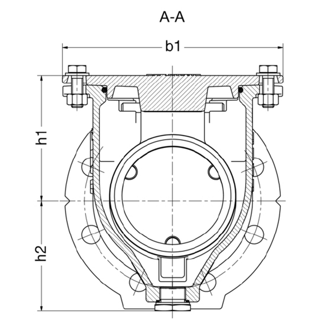
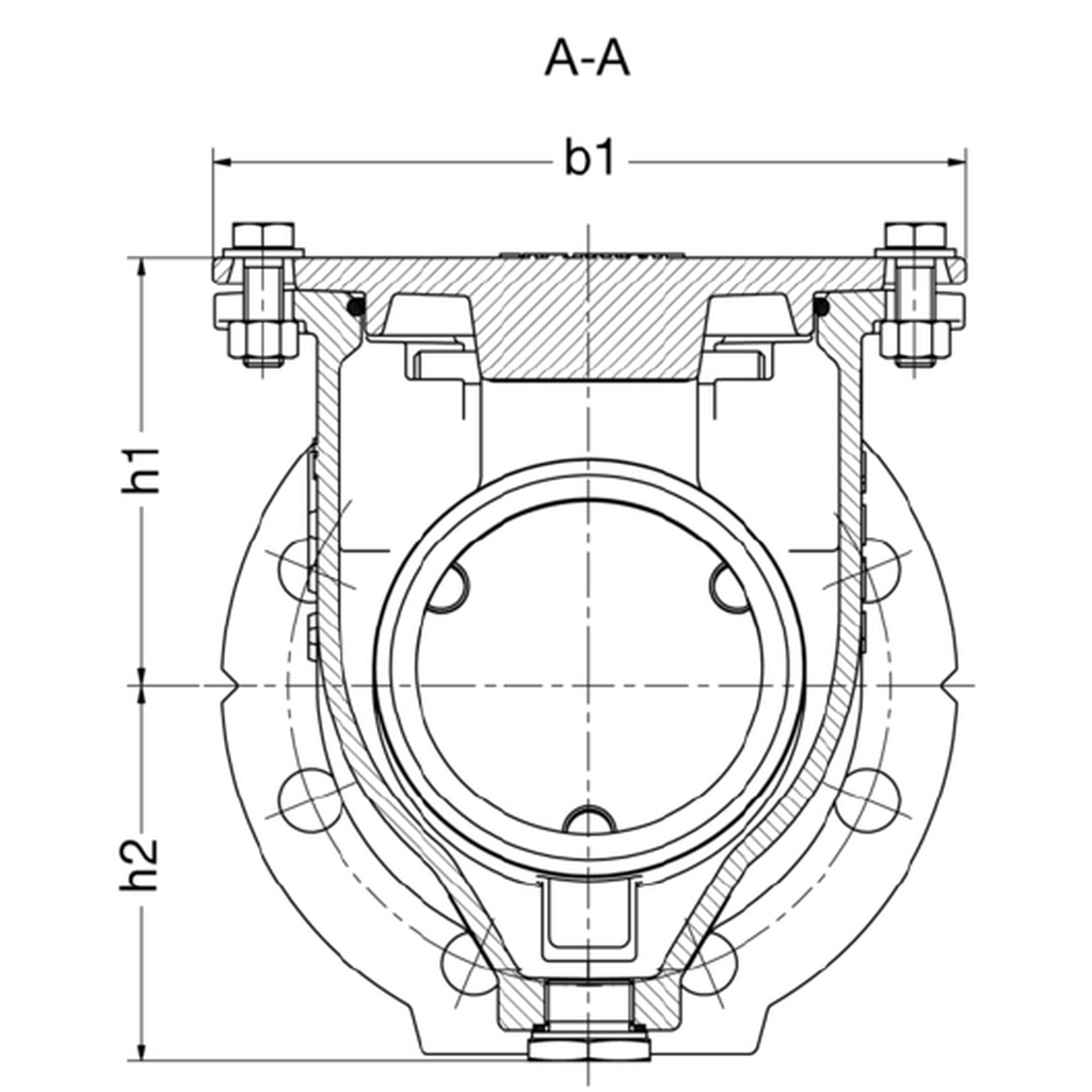
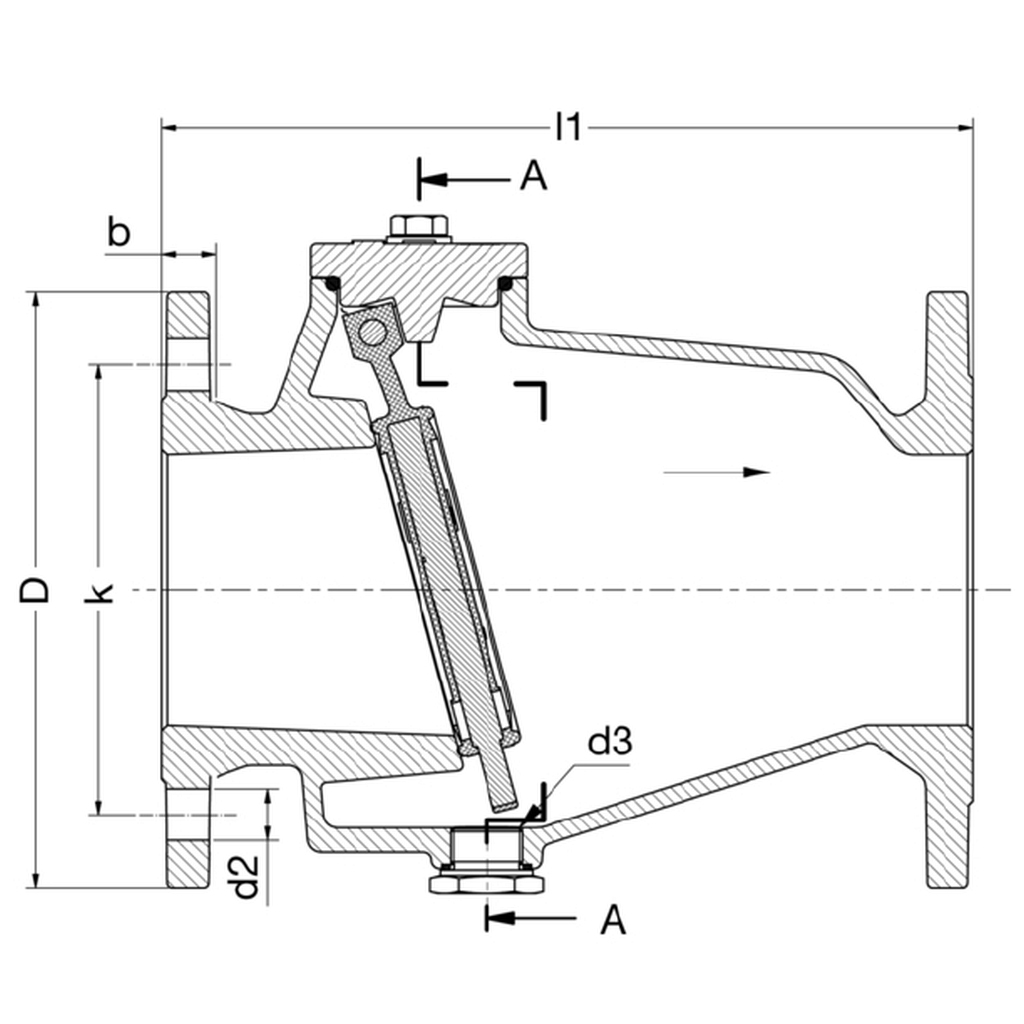
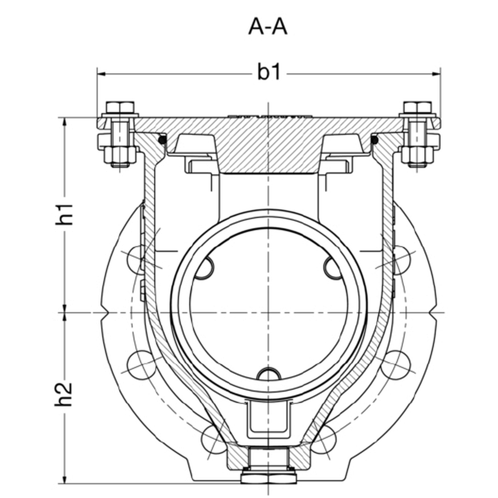
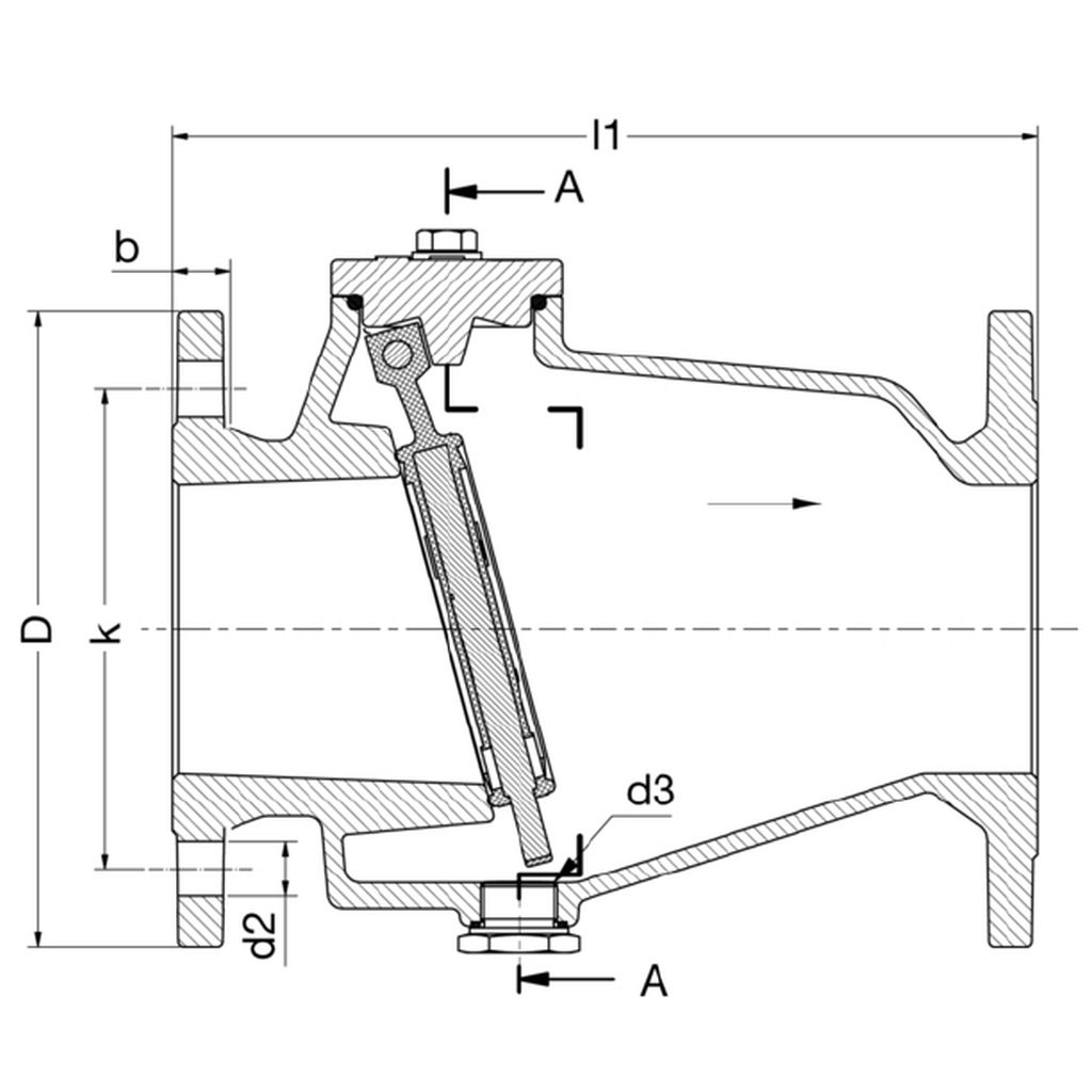
| PN 10 | ||||||
| DN | 200 | 250 | 300 | |||
| D | [mm] | 340 | 400 | 455 | ||
| b | [mm] | 20 | 22 | 24.5 | ||
| k | [mm] | 295 | 350 | 400 | ||
| b1 | [mm] | 400 | 490 | 550 | ||
| d2 | [mm] | 23 | 23 | 23 | ||
| h1 | [mm] | 237 | 291 | 336 | ||
| h2 | [mm] | 185 | 210 | 235 | ||
| *h3 | [mm] | 225 | 250 | 275 | ||
| I1 | [mm] | 500 | 600 | 700 | ||
| Furatok száma | [db] | 8 | 12 | 12 | ||
| Menet d3 | [inch] | 3/4" | 3/4" | 3/4" | ||
| Súly kb. | [kg] | 81,00 | 130,50 | 175,50 | ||
| Térfogat kb. | [m³] | 0,085 | 0,130 | 0,190 | ||
| * szelep középpontjától mérve | ||||||
| PN 16 | ||||||
| DN | 40 | 50 | 65 | 80 | 100 | |
| D | [mm] | 150 | 165 | 185 | 200 | 220 |
| b | [mm] | 19 | 19 | 19 | 19 | 19 |
| k | [mm] | 110 | 125 | 145 | 160 | 180 |
| b1 | [mm] | 145 | 160 | 185 | 200 | 225 |
| d2 | [mm] | 19 | 19 | 19 | 19 | 19 |
| h1 | [mm] | 90 | 95 | 115 | 125 | 138 |
| h2 | [mm] | 75 | 82 | 90 | 100 | 113 |
| *h3 | [mm] | 115 | 120 | 130 | 140 | 152 |
| I1 | [mm] | 180 | 200 | 240 | 260 | 300 |
| Furatok száma | [db] | 4 | 4 | 4 | 8 | 8 |
| Menet d3 | [inch] | 3/4" | 3/4" | 3/4" | 3/4" | 3/4" |
| Súly kb. | [kg] | 8,00 | 10,00 | 13,50 | 16,00 | 21,00 |
| Térfogat kb. | [m³] | 0,005 | 0,006 | 0,010 | 0,015 | 0,030 |
| * szelep középpontjától mérve | ||||||
| PN 16 | ||||||
| DN | 125 | 150 | 200 | 250 | 300 | |
| D | [mm] | 250 | 285 | 340 | 400 | 455 |
| b | [mm] | 19 | 19 | 20 | 22 | 24,5 |
| k | [mm] | 210 | 240 | 295 | 355 | 410 |
| b1 | [mm] | 310 | 340 | 400 | 490 | 550 |
| d2 | [mm] | 19 | 23 | 23 | 28 | 28 |
| h1 | [mm] | 173 | 193 | 237 | 291 | 336 |
| h2 | [mm] | 138 | 148 | 185 | 210 | 235 |
| *h3 | [mm] | 178 | 185 | 225 | 250 | 275 |
| I1 | [mm] | 350 | 400 | 500 | 600 | 700 |
| Furatok száma | [db] | 8 | 8 | 12 | 12 | 12 |
| Menet d3 | [inch] | 3/4" | 3/4" | 3/4" | 3/4" | 3/4" |
| Súly kb. | [kg] | 35,00 | 46,00 | 81,00 | 130,50 | 175,50 |
| Térfogat kb. | [m³] | 0,040 | 0,050 | 0,085 | 0,130 | 0,190 |
| * szelep középpontjától mérve | ||||||