FŐ TULAJDONSÁGOK
Mérettartomány
d25 (d20) - d63 (d50)
Anyaga
PE100 SDR11
Nyomásosztály
Tulajdonságok
Javasolt beépítés
https://interex-waga.hu/pe-karmantyu-hegesztes
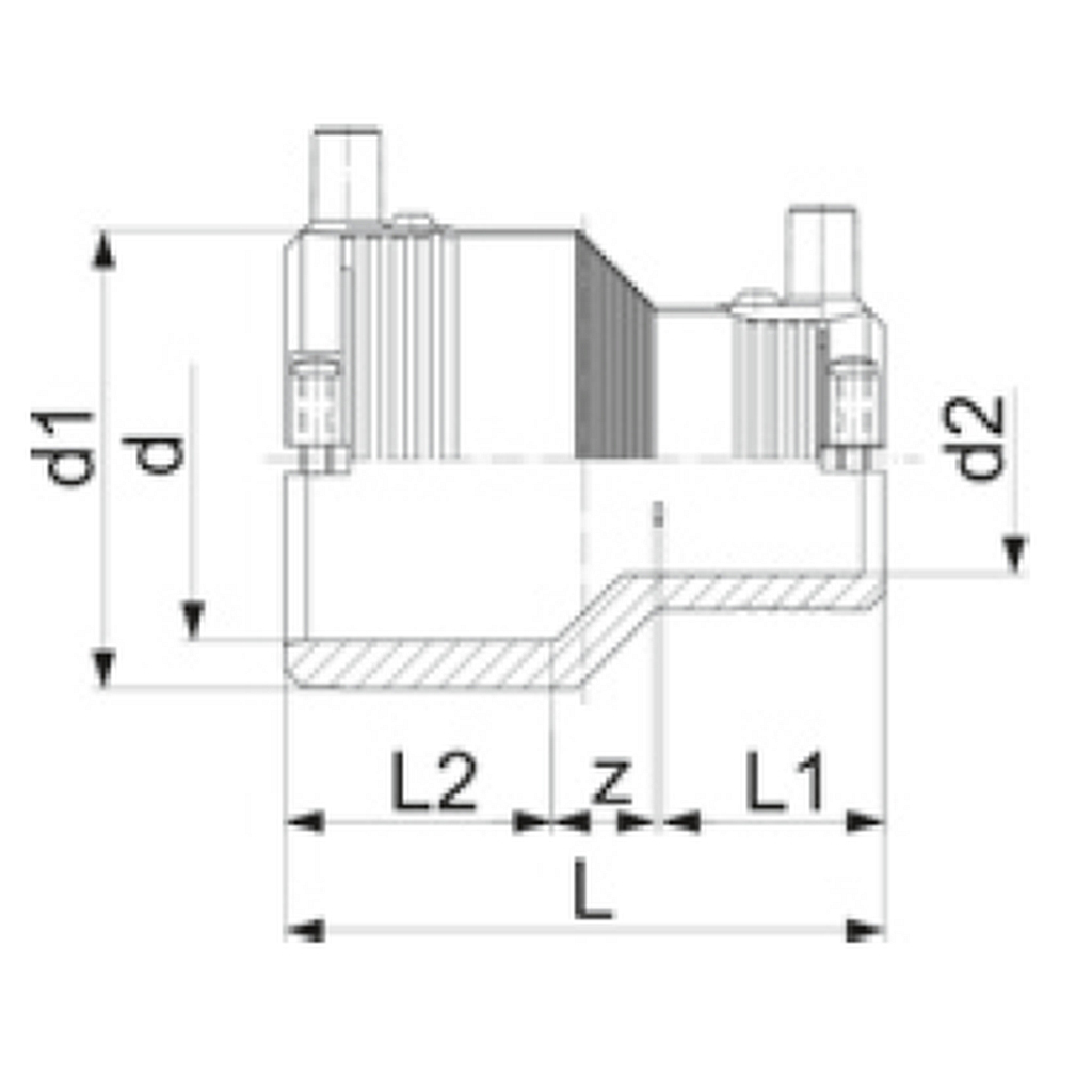
| d (mm) | d2 (mm) | Cikkszám | Súly (kg) | Méretek (mm) | ||||
| d1 | L | L1 | L2 | z | ||||
| 25 | 20 | 075753901639000 | 0,051 | 35 | 74 | 34 | 34 | 6 |
| 32 | 20 | 075753901640000 | 0,056 | 44 | 79 | 33 | 36 | 10 |
| 32 | 25 | 075753901641000 | 0,062 | 44 | 79 | 33 | 36 | 10 |
| 40 | 20 | 075753901644000 | 0,069 | 54 | 88 | 33 | 39 | 15 |
| 40 | 25 | 075753901645000 | 0,084 | 54 | 88 | 33 | 39 | 15 |
| 40 | 32 | 075753901646000 | 0,095 | 54 | 88 | 33 | 39 | 13 |
| 50 | 32 | 075753901651000 | 0,124 | 66 | 96 | 35 | 43 | 18 |
| 50 | 40 | 075753901652000 | 0,119 | 66 | 96 | 39 | 43 | 14 |
| 63 | 32 | 075753901656000 | 0,158 | 81 | 105 | 35 | 48 | 23 |
| 63 | 40 | 075753901657000 | 0,176 | 81 | 105 | 39 | 48 | 19 |
| 63 | 50 | 075753901658000 | 0,176 | 81 | 105 | 43 | 48 | 15 |