FŐ TULAJDONSÁGOK
Felhasználási terület
Mérettartomány
Nyomásosztály
PN10/16
Termékjellemzők
Anyagok (vízre)
Anyagok (szennyvízre)
Anyagok (szennyvízre, fokozott korrózióállósággal)
Korrózióvédelem
Belül és kívül epoxibevonat GSK minősítéssel, legalább 250 µm (a fokozott korrózióállóságú változatnál legalább 300 µm) rétegvastagsággal
Maximális üzemi közeghőmérséklet
50 °C
Rendelhető tartozékok
Működtetés
Megjegyzés
Pozíciójelzővel is rendelhető
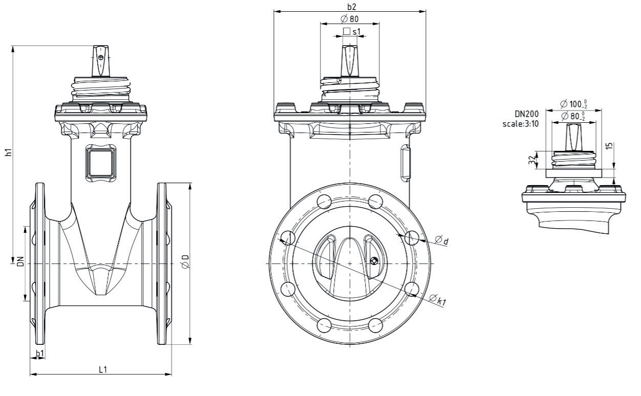
| DN | 50 | 65 | 80 | 100 | 125 | 150 | 200 | 250 | 300 | 350 | 400 | 500 | 600 | |
| D [mm] | 165 | 185 | 200 | 220 | 250 | 285 | 340 | 400 | 455 | 520 | 580 | 715 | 840 | |
| L1 (F4 rövid) [mm] | 150 | 170 | 180 | 190 | 200 | 210 | 230 | 250 | 270 | 290 | 310 | 350 | 390 | |
| L1 (F5 hosszú) [mm] | 250 | 270 | 280 | 300 | 325 | 350 | 400 | 450 | 500 | 550 | 600 | 700 | / | |
| b1 [mm] | 19 | 19 | 19 | 19 | 19 | 19 | 20 | 22 | 24,5 | 26,5 | 28 | 31 | 36 | |
| b2 [mm] | 151 | 165 | 172 | 204 | 248 | 278 | 362 | 430 | 485 | 585 | 585 | 730 | 860 | |
| d2 PN10/PN16 [mm] | 19 | 19 | 19 | 19 | 19 | 23 | 23 | 23/28 | 23/28 | 23/28 | 28/31 | 28/34 | 31/37 | |
| H [mm] | 210 | 235 | 265 | 293 | 343 | 380 | 465 | 573 | 675 | 820 | 820 | 1040 | 1240 | |
| k1 PN10 [mm] | 125 | 145 | 160 | 180 | 210 | 240 | 295 | 350 | 400 | 460 | 515 | 620 | 725 | |
| k1 PN16 [mm] | 125 | 145 | 160 | 180 | 210 | 240 | 295 | 355 | 410 | 470 | 525 | 650 | 770 | |
| s1 [mm] | 14 | 17 | 17 | 19 | 19 | 19 | 24 | 27 | 27 | 32 | 32 | 32 | 32 | |
| D1 [mm] | 200 | 250 | 250 | 300 | 300 | 300 | 400 | 500 | 500 | 600 | 600 | 800 | 800 | |
| Furatok száma PN10 / PN16 | 4 | 4 | 8 | 8 | 8 | 8 | 8/12 | 12 | 12 | 16 | 16 | 20 | 20 | |
| Fordulatok száma | 10 | 13 | 16 | 20 | 25 | 30 | 40 | 42 | 50 | 37 | 37 | 48 | 60 | |
| MOT az EN 1074-2 szerint [Nm] | 50 | 65 | 80 | 100 | 125 | 150 | 200 | 250 | 300 | 350 | 400 | 500 | 600 | |
| Max. nyomaték a teljes záráshoz [Nm] / Minimálisan szükséges hajtóműnyomaték [Nm] | Dp = 16 bar | 30 | 30 | 35 | 40 | 65 | 65 | 120 | 140 | 220 | 280 | 280 | 320 | 430 |
| Dp = 10 bar | 30 | 30 | 35 | 40 | 60 | 60 | 110 | 130 | 200 | 250 | 250 | 310 | 400 | |
| Súly kb. (F4 rövid) [kg] | 9,00 | 11,20 | 13,80 | 16,60 | 24,00 | 31,00 | 57,00 | 93,20 | 134,1 | 212,00 | 226,00 | 438,00 | 637,00 | |
| Súly kb. (F5 hosszú) [kg] | 9,50 | 11,90 | 14,80 | 18,20 | 27,00 | 35,00 | 64,00 | 104,50 | 146,50 | 228,00 | 243,00 | 509,00 | / | |