FŐ TULAJDONSÁGOK
Felhasználási terület
Mérettartomány
3/8"–2"
Alapanyag
Kovácsolt CW617N sárgaréz az EN 12165 szabvány szerint
Menet
EN ISO 228/1 vagy EN 10226-1 (ISO 7/1)
Javasolt beépítés
https://interex-waga.hu/greiner-szereles
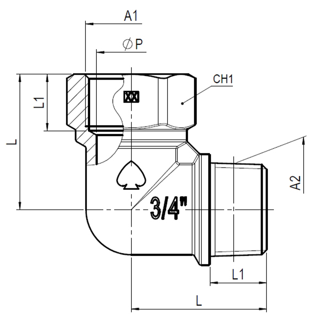
| Névleges átmérő | Cikkszám | Méretek (mm) | Súly (kg) | |||||
| L | L1 | A1 | A2 | ØP1 | Ch1 | |||
| 3/8" | 080343327003800 | 29,5 | G3/8" | G3/8" | 0,070 | |||
| 1/2" | 080343327005000 | 34 | 15 | Rp1/2" | R1/2" | 15 | es.27 | 0,105 |
| 3/4" | 080343327007500 | 39 | 16,3 | Rp3/4" | R3/4" | 20 | es.33 | 0,176 |
| 1" | 080343327010000 | 46 | 14 | G1" | G1" | 25 | 0,200 | |
| 1.1/4" | 080343327012500 | 54 | G1.1/4" | G1.1/4" | 0,384 | |||
| 1.1/2" | 080343327015000 | 60 | G1.1/2" | G1.1/2" | 0,439 | |||
| 2" | 080343327020000 | 70 | G2" | G2" | 0,800 | |||